Charakterystyka silników elektrycznych katalogowych
- silniki ogólnego przeznaczenia do pracy w warunkach klimatu umiarkowanego,
- praca ciągła S1,
- napięcia znamionowe 230V,
- częstotliwość zasilania 50 Hz,
- temperatura otoczenia od -15 °C do +40 &de;C,
- kolor malowania RAL 5010
- Stopień ochrony: IP54 (IP55; IP56) klasa izolacji F
Typy silników elektrycznych Besel do napędu wentylatorów osiowych
| Typ silnika | Moc | Prędkość obrotowa [min -1] | Prąd [A] przy 230V | Sprawność η [%] | Współczynnik mocy cos ΦN | Moment znamionowy MN[Nm] | Krotność prądu rozruchowego Ir/IN | Krotność momentu rozruchowego Mr/MN | Mmax/MN | Kondensator pracy μ[F]/450V | Masa [kg] |
| [kW] | [KM] |
| Silniki 4-biegunowe, 1500 min-1; 50Hz |
| SSOg 80-4A | 0,25 | 0,37 | 1440 | 2,21 | 58 | 0,92 | 1,66 | 3,5 | 0,36 | 1,6 | 35 | 6,0 |
| SSOg 80-4B | 0,37 | 0,50 | 1430 | 2,84 | 66 | 0,97 | 2,47 | 2,6 | 0,36 | 1,4 | 40 | 7,2 |
| SSOg 80-4C | 0,55 | 0,75 | 1430 | 4,00 | 73 | 0,90 | 3,67 | 3,4 | 0,30 | 1,6 | 50 | 8,6 |
| SSOg 80-4D | 0,75 | 1,00 | 1430 | 4,94 | 72 | 0,97 | 5,01 | 3,4 | 0,36 | 1,6 | 75 | 9,4 |
| Silniki 6-biegunowe, 1000 min-1; 50Hz |
| SSOg 80-6A | 0,18 | 0,25 | 940 | 1,37 | 65 | 0,95 | 1,83 | 2,5 | 0,36 | 1,4 | 20 | 6,0 |
| SSOg 80-6B | 0,25 | 0,37 | 940 | 2,10 | 68 | 0,85 | 2,54 | 2,9 | 0,30 | 1,5 | 25 | 7,2 |
| SSOg 80-6C | 0,37 | 0,50 | 950 | 4,20 | 55 | 0,76 | 3,72 | 3,0 | 0,36 | 1,8 | 40 | 8,4 |
| SSOg 80-6D | 0,55 | 0,75 | 940 | 4,52 | 66 | 0,88 | 5,59 | 2,9 | 0,36 | 1,6 | 60 | 9,5 |

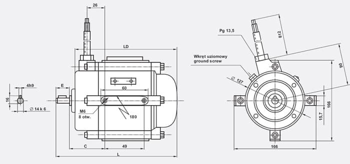
| Typ | Wymiary (mm) |
| C | E | LD | L |
| SSOg-A | 66 | 30 | 169 | 205 |
| SSOg-B | 71 | 40 | 179 | 225 |
| SSOg-C | 81 | 40 | 199 | 245 |
| SSOg-D | 92 | 40 | 220 | 265 |