znajdujesz się w: Besel, silniki elektryczne / tagi: Besel, silniki elektryczne, silniki indukcyjne, silniki wentylatorowe, SOg
Charakterystyka silników elektrycznych katalogowych
- silniki ogólnego przeznaczenia do pracy w warunkach klimatu umiarkowanego,
- praca ciągła S1,
- napięcia znamionowe 400V
- częstotliwość zasilania 50 Hz,
- temperatura otoczenia od -15 °C do +40 °C,
- kolor malowania RAL 5010

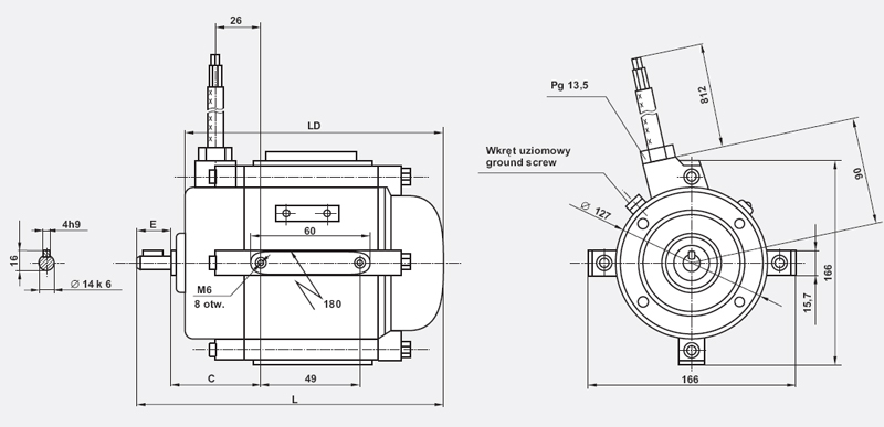
| Typ silnika | Wymiary (mm) | |||
| C | E | LD | L | |
| SOg 80-I | 66 | 30 | 169 | 205 |
| SOg 80-A | 66 | 30 | 169 | 205 |
| SOg 80-B | 71 | 40 | 179 | 225 |
| SOg 80-C | 81 | 40 | 199 | 245 |
| SOg 80-D | 92 | 40 | 220 | 265 |
- Silniki elektryczne mogą być dostarczane z wyłącznikiem do zmiany prędkości obrotowej.
- Silniki mogą pracować tylko z wentylatorem osiowym przy przepływie powietrza po jego obudowie.
- Producent zastrzega sobie możliwość zmian danych zawartych w karcie katalogowej wynikających z ciągłego doskonalenia wyrobu.
